'杭州蘊澤環境科技有限公司
地址:杭州市濱江區濱盛路1688號明豪大廈 706
電話:0571-87767399
189 5712 2504
郵箱:echoqian@163.com
詳細說明
1.白煙的產生
高爐內1400℃-1500℃的高溫爐渣,經渣口流出,在經渣溝進入沖渣流槽時,以一定的水量、水壓及流槽坡度,使水與熔渣流成一定的交角,沖擊淬化成合格的水渣。大量的水急劇熄滅熔渣時,使廢水的溫度急劇上升,蒸發產生大量水蒸氣。
2.白煙去除機理
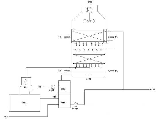
高爐沖渣排放的煙氣中,水蒸氣占很大部分,特別是嘉恒法產生的煙氣幾乎全部是水蒸氣。因此該煙氣消白需將水蒸氣進行收集,通過氣液接觸將大部分蒸汽冷凝成水,凝汽后的高溫高濕空氣與熱空氣混風后排放,從而實現排煙無白煙現象。
高爐沖渣系統出來的蒸汽經過管道引入消白煙裝置。消白煙裝置由集水區、蒸汽冷凝區、混風空氣加熱區、混風區及風機組成。在蒸氣冷凝區,水蒸氣被冷空氣和循環水冷卻,一半以上蒸汽凝結成水同循環液進入集水區收集后回用至沖渣系統,飽和的濕空氣進入混風區。混風區四周設置換熱裝置,通過將循環液與空氣換熱,加熱環境空氣,加熱后的環境空氣與飽和濕空氣混風,混風后的煙氣處于不飽和狀態,從而實現煙氣消白煙。
3.消白煙工藝流程
